17 - ETUDE DU TRANSISTOR BD 135
I
C = f (UBE)(17.PH2)
Programme 1994, Classe de 3ème
Electricité et vie quotidienne
Appareils domestiques et industriels.
_ variation de la vitesse (d'un moteur) au moyen d'un dispositif électronique réglant la tension d'utilisation
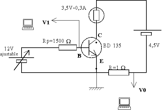
Matériel.
1 alimentation stabilisée 6 / 12V, continu
1 suiveur de tension
1 transistor BD 135 sur un support
1 résistor 1
W - 2W dans un boîtier1 pile 4,5V et une ampoule 3,5V - 0,3A sur support E10
des fils de connexion
1 micro-ordinateur avec SYSAM d'EUROSMART.
Schéma :

Réglages :
Voies A / D
Voie 0 / nom : I-coll / unité : ampère / couleur : jaune / style : discret croix / fenêtre 1 / ampli : - 1 / décal : 0 / mode : PAS A PAS / calibre : - 5.12V à + 5.12V.
Voie 1 / Ube / volt /......./ mode : PAS A PAS / ......
Acquisition
Réglages acquis. / points : 128 /......./ moyenne : 64 / ......
Echelles / Abscisse
Fenêtre 1 / Abscisse : Ube (en volt) / Echelle X : manuelle / mini. : 0 / maxi. : 0.9 /
Echelle Y : manuelle / mini. : - 0.01 / maxi. : 0.3 /
F 10 (Acquisition).
La tension U
be étant ~ à 0V, : F10 ; tourner le bouton du potentiomètre du suiveur de tension pour faire varier la valeur de Ube ; pour chaque mesure : F10 .A la fin de l'acquisition : ESC.
Notes Titre / Commentaires.
Fichier Enregistrer sous.
